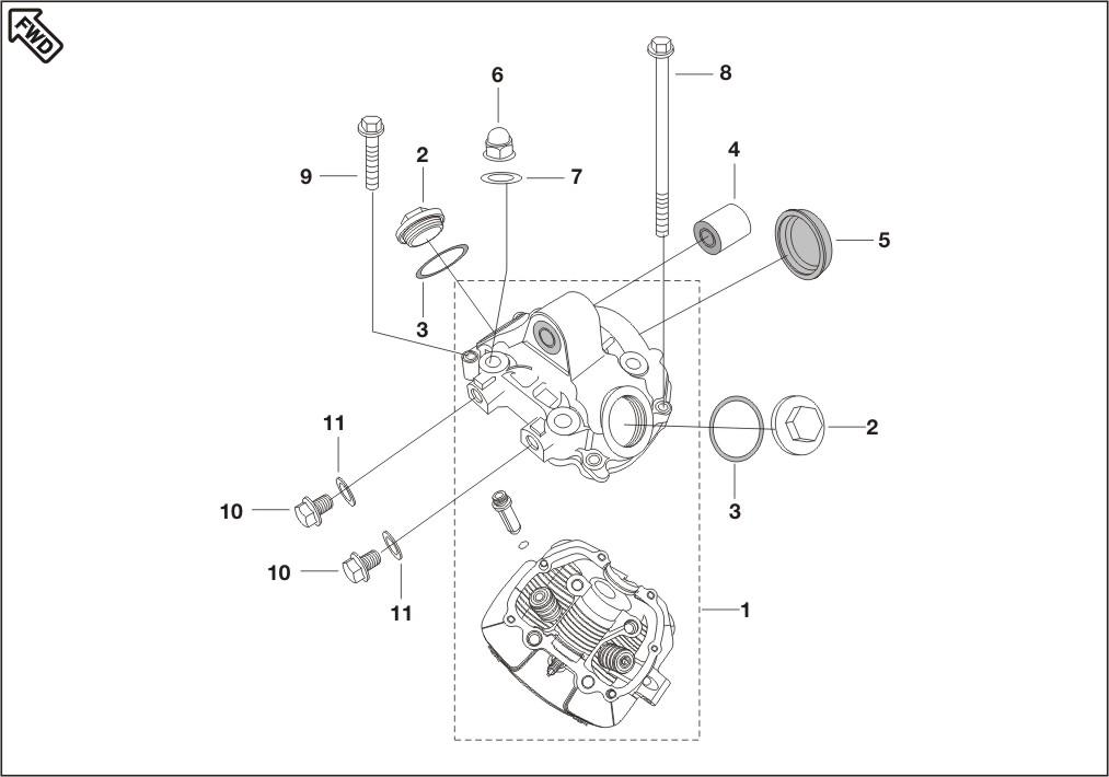
COVER CYLINDER HEAD
CYLINDER HEAD
VALVE
CAMSHAFT /TENSIONER
CYLINDER AND PISTON
CRANKSHAFT
BALANCER &BALANCER IDLER GEAR
TRANSMISSION
BUSH (DRUM CHANGE)
GEAR CHANGE MECHANISM
ENGINE ASSLY & CRANK CASE RH
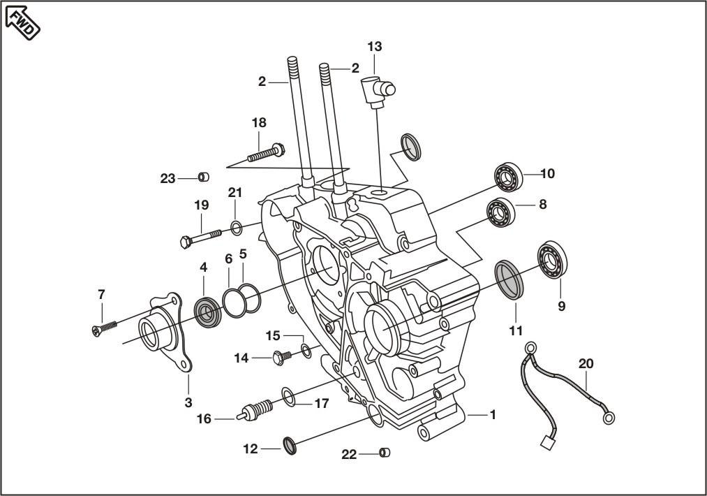
CRANKCASE LH
COVER RH
COVER MAGNETO
CLUTCH
OIL Cooler assembly
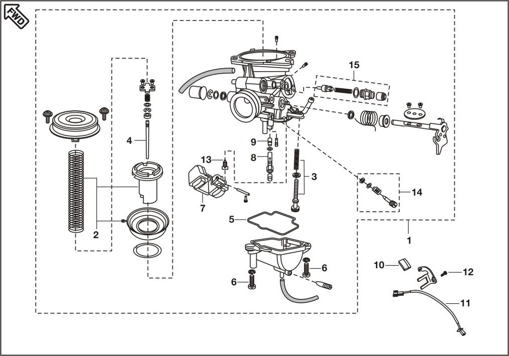
CARBURETTOR
AIR CLEANER COMP
SILENCER ASSEMBLY
SEAT ASSLY /SEAT LOCK
OIL PUMP
MAGNETO /C.D.I./ H.T. COIL
STARTER ASSLY ( FOR SELF START)
ENGINE MOUNTING
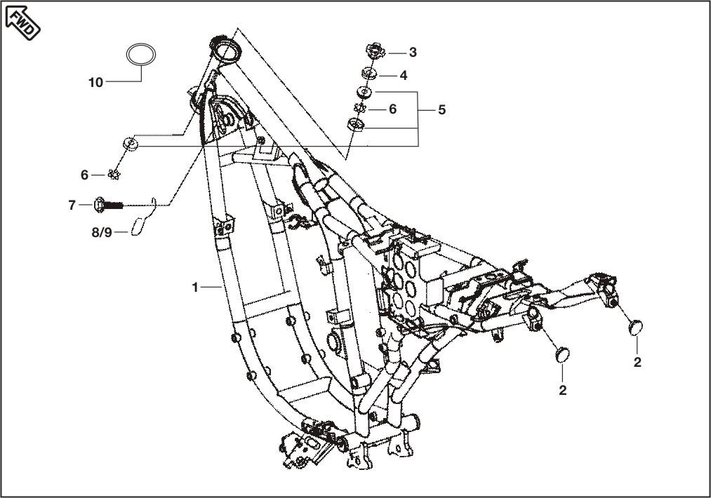
FRAME /FRAME FITTINGS
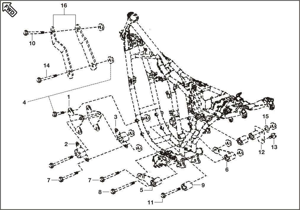
SWING ARM RR.SHOCK ABSORBER
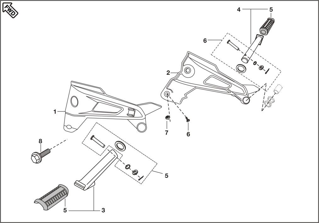
RIDER FOOT REST
PILION FOOT REST/HOLDER
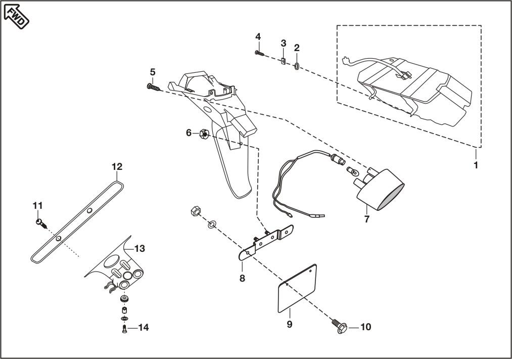
MUDGUARD FRONT & REAR
STAND ASSEMBLY
TYRE / TUBE / RIM
FRONT HUB
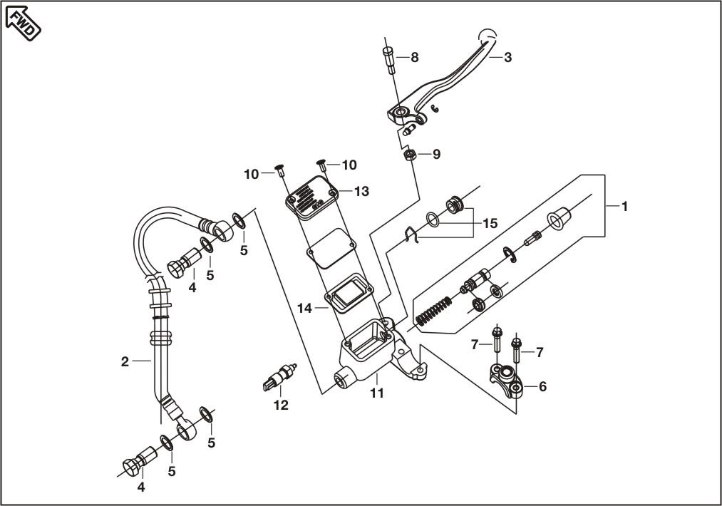
FRONT MASTER CYLINDER
FRONT DISC BRAKE
REAR HUB
REAR BRAKE PADAL
HANDLE BAR
FRONT FORK
PAINTED PARTS & DECALS
CAP TANK &GAUGE FUEL
FITTINGS P. TANK SIDE COVER & COVER SEAT
METER ASSEMBLY
CONTROLS CABLES
CHAIN COVER
HEAD LAMP &FAIRING
INDICATOR LIGHT ASSEMBLY
TAIL LAMP ASSLY. /FR&RR NO.PLATE
ELECTRICAL EQUIPMENTS
TOOL KIT
ACCESSORIES / GRAB HANDLE
We will send you a recovery mail. Please enter your email ID
REGISTER AS A BUSINESS TO GET MORE BENIFITS
- or -
brand
model
variant
Category
Parts