CYLINDER HEAD COVER/INLET PIPE
CYLINDER/ CYLINDER HEAD
CAM SHAFT/VALVE
CAM CHAIN TENSIONER
RIGHT CRANK CASE COVER
CLUTCH
LEFT CRANK CASE COVER/A.C. GEN.ASSY.
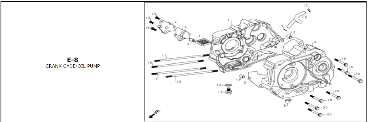
CRANK CASE/OIL PUMP
CRANK SHAFT/PISTON
TRANSMISSION
KICK STARTER
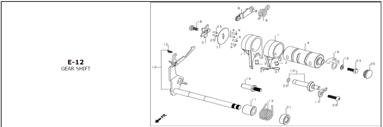
GEAR SHIFT
CARBURETTOR
HEAD LIGHT/FR. VISOR
SPEEDOMETER/CABLE/KEY SET
HANDEL LEVER/SWITCH/CONTROL CABLE
HANDLE PIPE/TOP BRIDGE
STEERING STEM/HORN
FENDER FRONT
FRONT FORK
FR.BRAKE PANEL
HERO_SPLENDOR+_MAR2012_FIG_F8.png
FRONT WHEEL
REAR BRAKE PANEL
REAR WHEEL
SEAT ASSY./RR.COWL/REAR CARRIER
FUEL TANK
SIDE COVER
AIR CLEANER
EXHAUST MUFFLER
STEP ASSY./KICK STARTER/GEAR CHANGE PEDAL/SIDE STAND/PILLION STEP
MAIN STAND/PEDAL BRAKE
SWINGARM/CHAIN CASE
REAR CUSHION
REAR FENDER
WINKERS
TAIL LIGHT
WIRE HARNESS/BATTERY
FRAME BODY/UTILITY BOX
TOOLS
STRIPES/MARKS
GUARD ENGINE
GUARD SARI/STEP PILLION WOMEN
We will send you a recovery mail. Please enter your email ID
REGISTER AS A BUSINESS TO GET MORE BENIFITS
- or -
brand
model
variant
Category
Parts