Engine Assembly
Engine Cover RH
Crankcase RH - Cover Side
Cylinder & Head Assembly
Engine Cover LH
Crankcase LH - Cover Side
Clutch Assembly
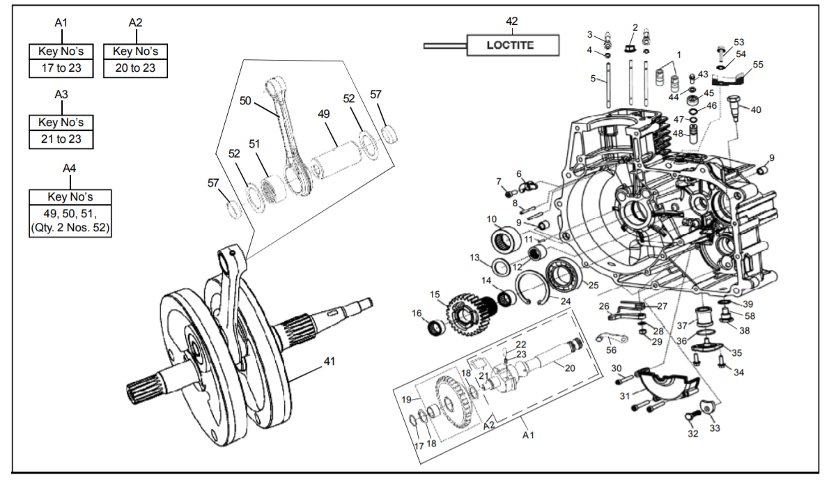
Crankcase LH
Crankcase RH
Gear Train Assembly (Old Type)
Gear Train Assembly (Anti Skip Mechanism)
CV Carburetor (BS 29) Assembly
EFI Components in Cylinder Head
Air Filter Assembly (350cc)
Air Filter Assembly (500cc)
Silencer & Exhaust Pipe
Handle Bar & Controls
Control Cables
Front Master Cylinder Assembly - BBI
Front Caliper Assembly - BBI
Head Bracket & Steering Stem
Front Fork (GIL - Dia 41) Assembly
Front Mudguard Assembly
Front Wheel Assembly (DISC)
Fuel Tank Assembly
Seat Assembly
Seat Sub Frame
Rear Shock Absorbers & Center Stand Assembly
Swing Arm Assembly & Rear Chain Guard
Rear Wheel Assembly (DISC)
Rear Master Cylinder Assembly - BBI
Rear Caliper Assembly - BBI
Cradle Assembly RH
Rear Mudguard Assembly
Tail Lamp Bracket, Trafficator & Saree Guard
Cradle Assembly LH & Pillion Foot Rest Assembly
Side Panel LH & RH
Side Decor LH & RH
Frame Assembly
Battery, Battery Carrier & Harness
Head Lamp Assembly
Instrument Cluster
Switches, Horn, Relays & Starter Motor
TCI & EFI Ignition Components
Tail Lamp Assembly
Trafficator Lights, Tools & First Aid Kit
Special Tools List - A (Common)
Special Tools List - B (Common & Exclusive for Thunderbird 350 & 500 Models)
Wall Charts - A (UCE)
Wall Charts - B (Domestic)
All UCE Models Service Publication List - A (Domestic)
All UCE Models Service Publication List - B (Domestic)
After Market Part - A
After Market Parts - B
We will send you a recovery mail. Please enter your email ID
REGISTER AS A BUSINESS TO GET MORE BENIFITS
- or -
brand
model
variant
Category
Parts