Eng.200 4S/3V BIII Air Ape Pax India
Clutch Cover Assembly
Clutch Group
Oil Pump Assembly
Complete Differential Gear
Differential Gear Cover With P.I.
Intake Fitting - Carburetor
Air Filter Assembly
Snorkel System
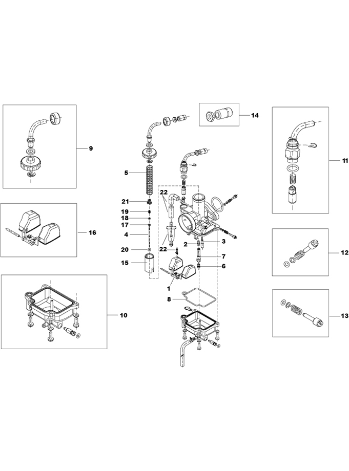
Carburetor
Complete Crankcase
Gear Shifter And Control Mechanism
Cylinder Head With I.P.
Crankshaft Assembly
Aircooling Circuit Components
Timing Group
Cylinder- Piston Group
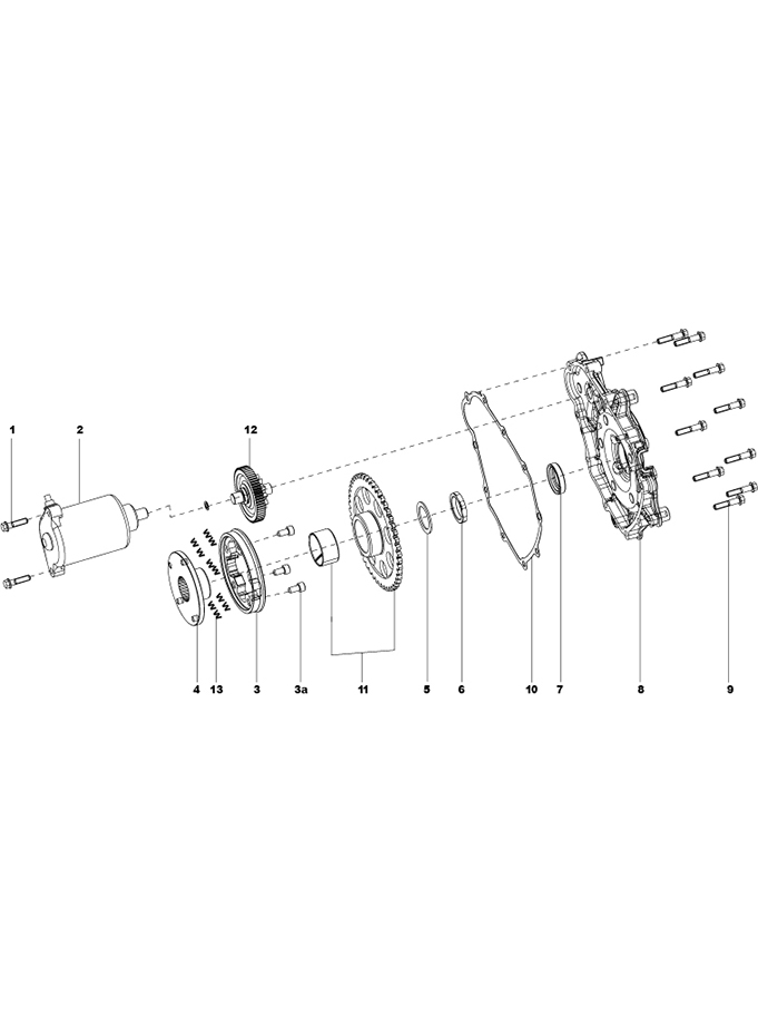
Electic Starting Group
Gear Group
Differential Gear Group
Engine Support
Fuel Tank/Filter/Fuel Pipes
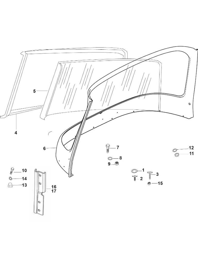
Wind Shield/Glass/Beading
Main Frame/Driver Seat/Battery Bkt//Nose/Fr. Mud/Mud Flap
Inner Parts Of Cabin
Rear Suspention
Steering Column And Front Suspension
Handle Bar And Control
Brake - Tandem Master Cylinder ,Brake Pipe And Hand Brakes
Electrical Devices
Front Fascia
Passenger Auto Riksha Body
Wiring Harness
Front Brake Assembly
Rear Brake Assembly
Cables
CNG Kit
Two Stage CNG Regulator
First Stage Reduction Unit
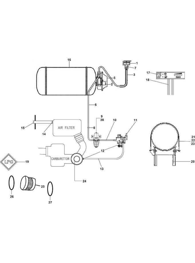
LPG Kit
Two Stage LPG Regulator
Tools & Accessories
KIT-1
KIT-2
KIT-3
KIT-4
KIT-5
We will send you a recovery mail. Please enter your email ID
REGISTER AS A BUSINESS TO GET MORE BENIFITS
- or -
brand
model
variant
Category
Parts