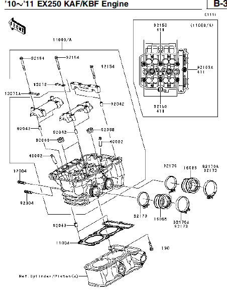
Cylinder Head
Cylinder Head Cover
Cylinder/Piston(s)
Air Cleaner
Mufer(s)
Valve(s)
Camshaft(s)/Tensioner
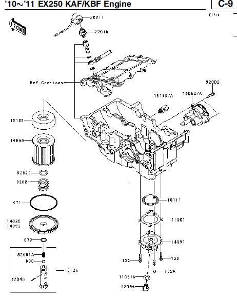
Crankshaft
Clutch
Transmission
Gear Change Drum/Shift Fork(s)
Gear Change Mechanism
Crankcase
Crankcase Bolt Pattern
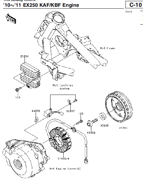
Engine Cover(s)
Throttle
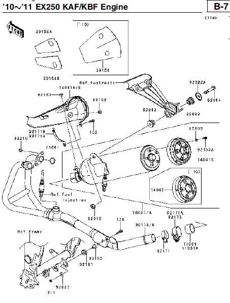
Fuel Pump
Fuel Injection
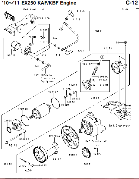
Oil Pump
Generator
Ignition System
Starter Motor
Radiator
Water Pipe
Frame
Engine Mount
Frame Fittings
Swingarm
Suspension/Shock Absorber
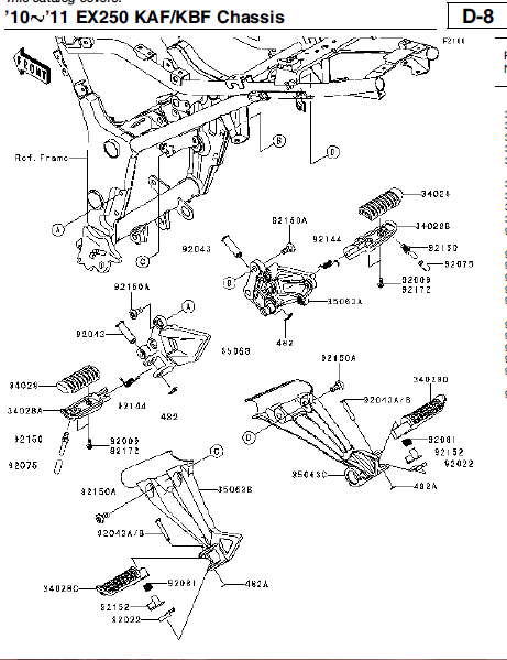
Footrests
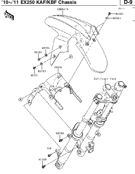
Front Fender(s)
Rear Fender(s)
Stand(s)
Tires
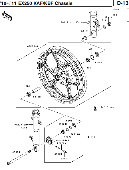
Front Hub
Rear Hub
Brake Pedal
Front Master Cylinder
Front Brake(KBF)
Rear Master Cylinder
Rear Brake(KAF)
Rear Brake(KBF)
Handlebar
Front Fork
Fuel Tank(KBF)
Seat(1/2)
Seat(2/2)
Meter(s)
Cables
Side Covers/Chain Cover
Guard(s)
Headlight(s)
Taillight(s)
Turn Signals
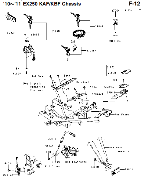
Chassis Electrical Equipment
Ignition Switch
We will send you a recovery mail. Please enter your email ID
REGISTER AS A BUSINESS TO GET MORE BENIFITS
- or -
brand
model
variant
Category
Parts