AIR FILTER ASSEMBLY
CAMSHAFT / TENSIONER
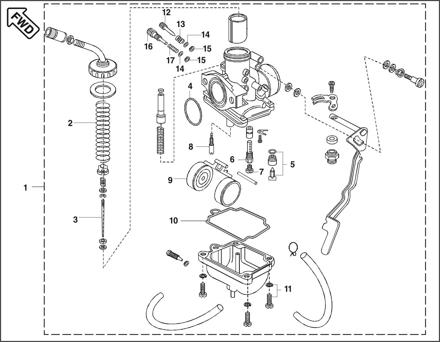
CARBURETTOR
Drum Change/ Gear Forks
Chasis/ Frame
CLUTCH
CABLES
Clutch n Magnet Cover
CRANKCASE LH
Cyl. Block Piston Assy
CYLINDER HEAD
Indicators
ELECTRICAL EQUIPMENTS
Crankcase RH
FRONT BRAKE
FRONT SUSPENSION
Front Hub/Wheel
Gear Shaft n Gear Lever
HANDLE BAR
HEAD LAMP ASSLY. / FAIRING / WIRING HARNESS
KICK STARTER MECHANISM
MAGNETO ASSLY.
MUDGUARD - FRONT / REAR AND REAR NUMBER PLATE
Oil Pump
PAINTED PARTS
PETROL TANK ASSLY. / FUEL COCK COMP.
BRAKE PEDAL
Rear Hub
Seat Assy
SIDE COVER LH & RH / COVER SEAT
Silencer
Plugs n Coils
Meter Assy
Main Stand
SWING ARM
Back/Tail Light
TOOL KIT
Transmission/Gears
Tube / Tyre / Rim
Engine Valves
We will send you a recovery mail. Please enter your email ID
REGISTER AS A BUSINESS TO GET MORE BENIFITS
- or -
brand
model
variant
Category
Parts