CYLINDER HEAD COVER/INLET PIPE
CYLINDER/CYLINDER HEAD
CAM SHAFT/VALVE
CAM CHAIN TENSIONER
RIGHT CRANK CASE COVER
CLUTCH
LEFT CRANKCASE COVER/A.C. GEN. ASSY.(SELF START)
STARTING CLUTCH(SELF START)
STARTING MOTOR(SELF START)
LEFT CRANKCASE COVER/A.C. GEN. ASSY.
CRANK CASE/OIL PUMP
CRANKSHAFT/PISTON
TRANSMISSION
KICK STARTER
GEAR SHIFT
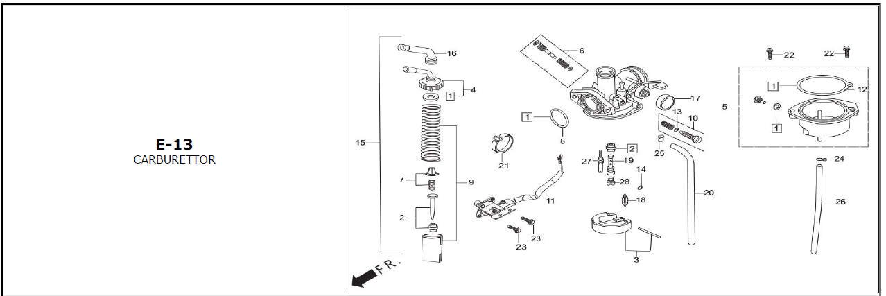
CARBURETTOR
LIGHT ASSY. HEAD
NUMBER PLATE(OPTIONAL)
SPEEDOMETER/CABLE/KEY SET
HANDLE LEVER/SWITCH/CONTROL CABLE
HANDLE PIPE / TOP BRIDGE
STEERING STEM
FRONT FENDER
FRONT FORK
FR. BRAKE PANEL
FRONT WHEEL
REAR BRAKE PANEL
REAR WHEEL
SEAT ASSY./RR COWL/REAR GRIP
FUEL TANK
SIDE COVER
AIR CLEANER
MUFFLER
STEP ASSY./KICK STARTER/GEAR CHANGE PEDAL/SIDE STAND/PILLION STEP
MAIN STAND/PEDAL BRAKE
SWINGARM/CHAIN CASE
REAR CUSHION
REAR FENDER
WINKERS
TAIL LIGHT
WIRE HARNESS/BATTERY
FRAME BODY/UTILITY BOX
TOOLS
STRIPES/MARKS
GUARD ENGINE ACCESSORIES (OPTIONAL)
GUARD SARI(OPTIONAL)
MARK CAUTION
We will send you a recovery mail. Please enter your email ID
REGISTER AS A BUSINESS TO GET MORE BENIFITS
- or -
brand
model
variant
Category
Parts