COVER CYLINDER HEAD
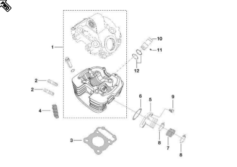
CYLINDER HEAD
VALVE
CAMSHAFT / TENSIONER
CYLINDER AND PISTON
CRANK SHAFT
BALANCER & BALANCER IDLER GEAR
TRANSMISSION
CHANGE DRUM / SHIFT FORK
: GEAR CHANGE MECHANISM
ENGINE ASSLY. & CRANKCASE RH
CRANKCASE LH
COVER RH
COVER MAGNETO
CLUTCH
KICK STARTER MECHANISM
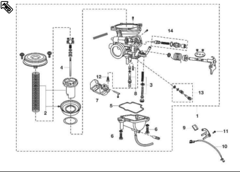
CARBURETTOR
AIR CLEANER COMP
SILENCER ASSLY.
SEAT ASSLY. / SEAT LOCK
OIL PUMP
MAGNETO / C.D.I. / H.T. COIL
STARTER ASSEMBLY (FOR SELF START)
ENGINE MOUNTINGS
FRAME & FRAME FITTINGS
SWING ARM / REAR SHOCK ABSORBER
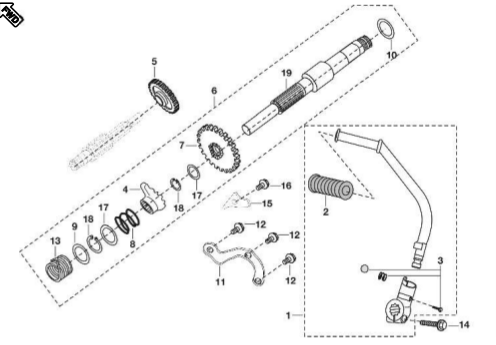
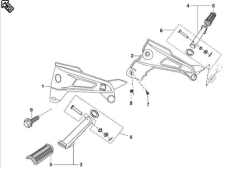
RIDER FOOT REST
PILLION FOOT REST / HOLDER
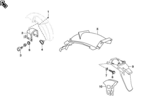
MUDGUARD FRONT & REAR
STAND ASSEMBLY
TYRE / TUBE / RIM
FRONT HUB
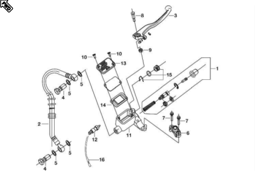
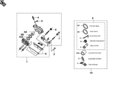
FRONT MASTER CYLINDER
FRONT DISC BRAKE
REAR HUB
REAR BRAKE PADAL
HANDLE BAR
FRONT FORK
PAINTED PARTS & DECALS
PETROL COCK, CAP TANK & GAUGE FUEL
FITTINGS PET. TANK SI. COVER & COVER SEAT
METER ASSEMBLY
CONTROL CABLES
CHAIN CASE
HEAD LAMP & FAIRING
INDICATOR LIGHT ASSEMBLY
TAIL LAMP ASSLY/ FRONT & REAR NO. PLATE
ELECTRICAL EQUIPMENTS
TOOL KIT
ACCESSORIES / GRAB HANDLE
We will send you a recovery mail. Please enter your email ID
REGISTER AS A BUSINESS TO GET MORE BENIFITS
- or -
brand
model
variant
Category
Parts