Head/ Tappet Cover
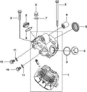
CYLINDER HEAD
Engine Valves
CAMSHAFT / TENSIONER
Cyl. Block Piston Assy
CRANK SHAFT
BALANCER & BALANCER IDLER GEAR
Transmission/Gears
Drum Change/ Gear Forks
CHANGE DRUM / SHIFT FORK
Gear Shaft n Gear Lever
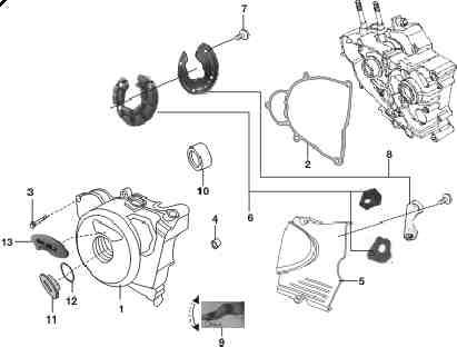
Crankcase RH
CRANKCASE LH
Clutch Cover
Magnet Cover
CLUTCH
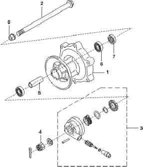
OIL PUMP
OIL COOLER ASSEMBLY
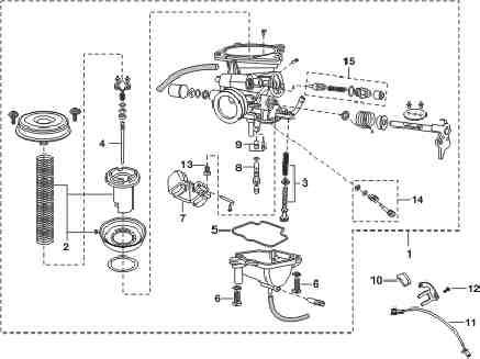
CARBURETTOR
Silencer
AIR FILTER ASSEMBLY
Magnet Assy
STARTER MOTOR
Chasis/ Frame
SWING ARM
Rear Shocker
FOOT REST
MUDGUARD FRONT & REAR
Main Stand
Tube / Tyre / Rim
Front Hub/Wheel
REAR HUB
BRAKE PEDAL
FRONT MASTER CYLINDER
FRONT BRAKE
HANDLE BAR
FRONT FORK
Fuel Cock/ Petrol Tee
Seat Assy
Meter Assy
CABLES
SIDE COVERS / CHAIN COVER
Leg Guard/Saree Guard
Head Light n Fittings
Back/Tail Light
Indicators
ELECTRICAL EQUIPMENT
IGNITION SWITCH
TOOL KIT
PAINTED PARTS
We will send you a recovery mail. Please enter your email ID
REGISTER AS A BUSINESS TO GET MORE BENIFITS
- or -
brand
model
variant
Category
Parts