Crankcase Assembly
Cylinder and Piston
Crankshaft Support
PTO Cover
Cylinder Head & Decompression Lever
Oil Filter & Pressure Relief Valve
Oil Pan
Rocker Arm Cover
Lub Oil Pump & Speed Governor
Remote Throttle and Stop Control
Air Shroud & Flywheel & Pulley and Electrical Start system
Connecting Rod & Crankshaft
Air Cleaner & Exhaust Muffler
Injector & Fuel Pump
Cam Shaft & Push Rod & Rocker Arm
Fuel Filter and Fuel Pipes
Feed Pump
Engine Side Cover and Main Housing
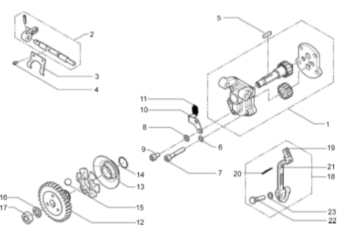
Main Shaft & Speed Gears and Cluster Gear
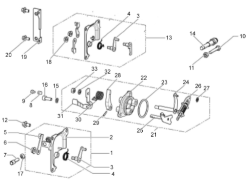
Gear Shifter and its Control Mechanism
Differential unit & Fare Meter Housing and Sppedo Gear
Clutch & Clutch Cover
Engine Support
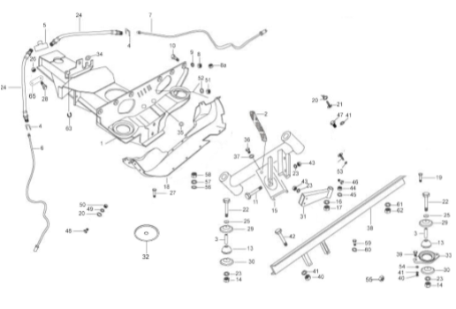
Chassis frame Fuel Tank & Seat
Inner Parts of Cabin
Cabin Components
Rubber Mat and Rear Mudguard
DOORS &TOOLS AND WHEEL
Rear Suspension
Steering Column and Front Suspension
Handle Bar and Controls
Brake Tandem Master Cylinder & Brake Pies and Handbrake
Electrical Devices
Electrical Devices A
Body
Wiring Harness
Front Brake Assembly
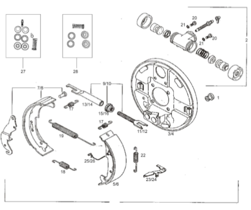
Rear Brake Assembly
We will send you a recovery mail. Please enter your email ID
REGISTER AS A BUSINESS TO GET MORE BENIFITS
- or -
brand
model
variant
Category
Parts