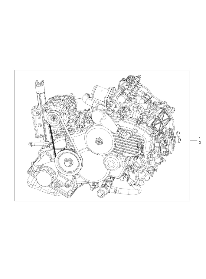
DIESEL ENGINE COMPLETE BNA 1000 CC (P)
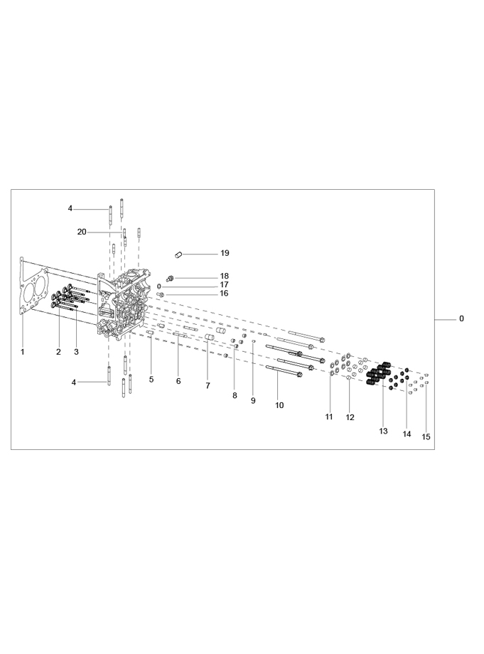
CRANKCASE ASSEMBLY
OIL SUMP AND DIPSTICK
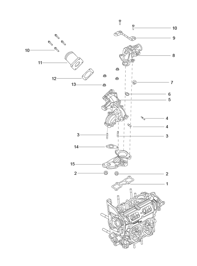
INTAKE SYSTEM - BSIV & BNA+
INTAKE SYSTEM - BSIII
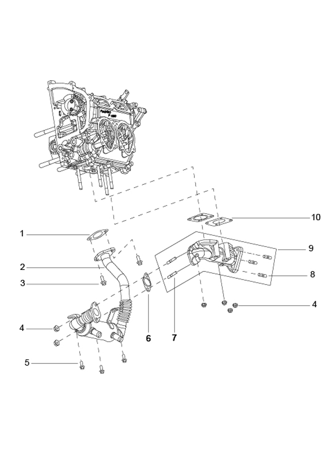
EXHAUST SYSTEM - BSIV & BNA+
EXHAUST SYSTEM - BSIII
ALTERNATOR ASSEMBLY
BLOW BY SYSTEM
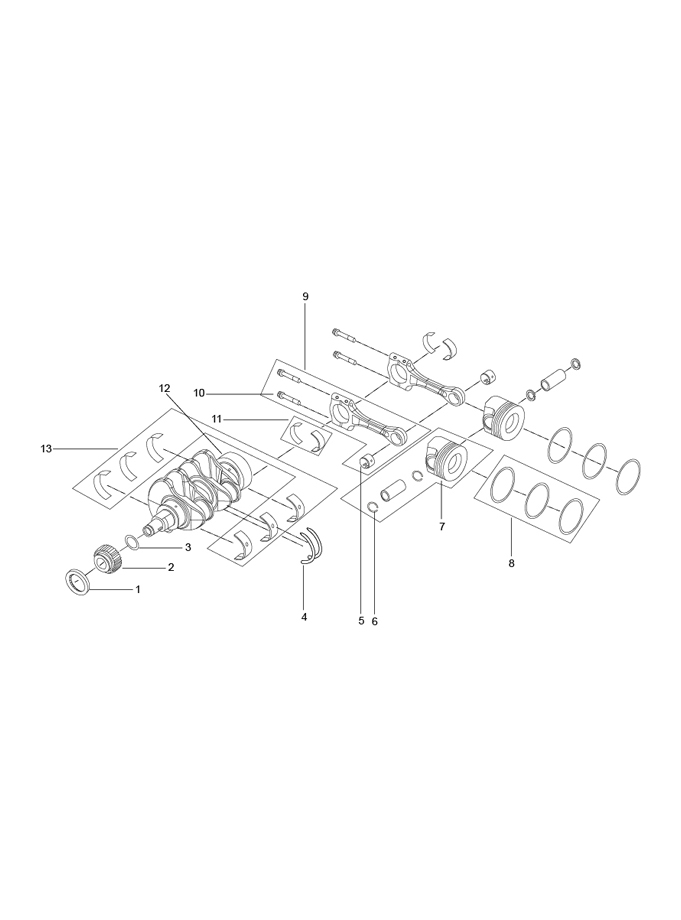
PISTON UNIT AND CRANCKSHAFT ASSEMBLY
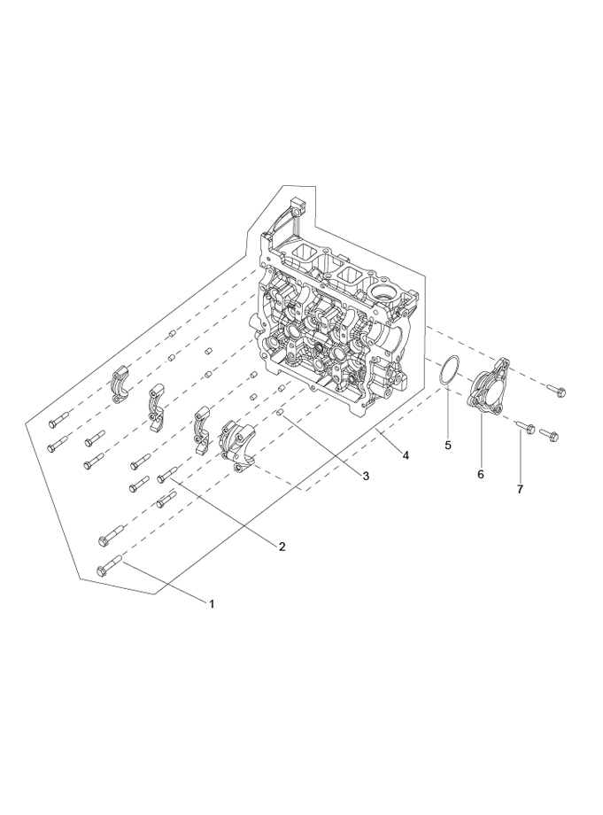
CAMSHAFT ASSEMBLY
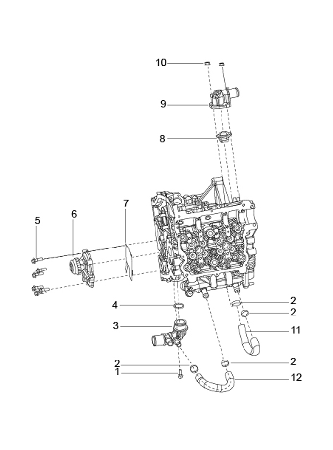
COOLING SYSTEM
FLYWHEEL ASSEMBLY
CYLINDER HEAD COVER ASSEMBLY
CYLINDER HEAD UNIT
CYLINDER HEAD ASSEMBLY
INTERMEDIATE SHAFT
ROCKING LEVER SUPPORT UNIT
TIMING COVER ASSEMBLY
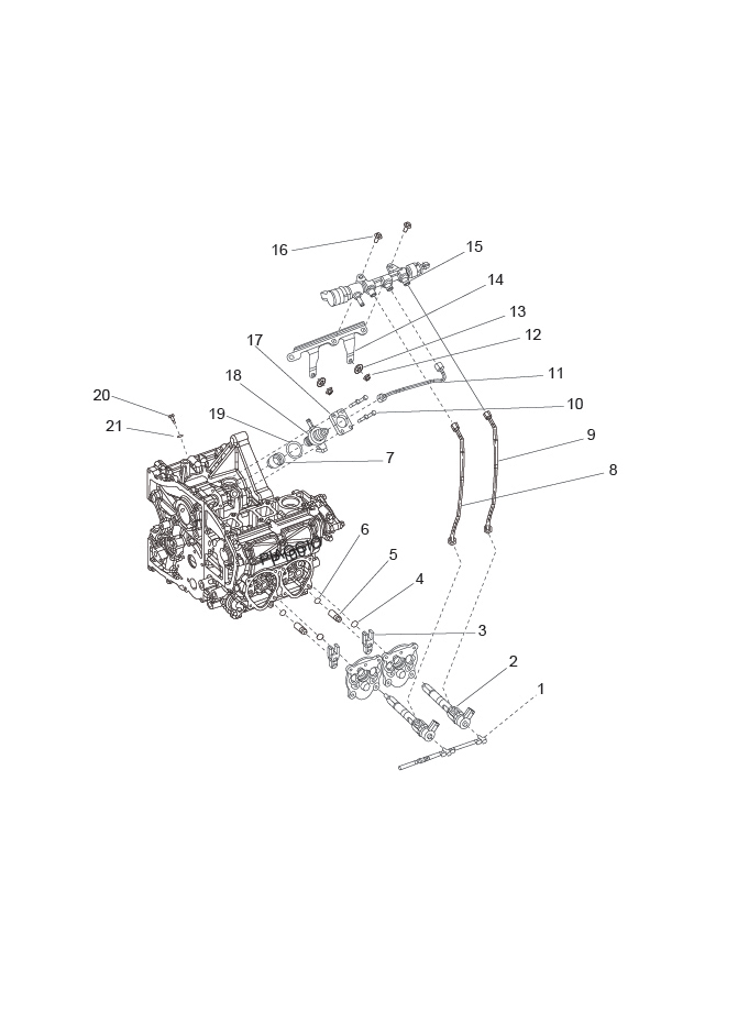
THROTTLE BODY AND INJECTORS
OIL PICKUP PIPE
ENGINE HARNESS BNA
CLUTCH
GEAR BOX ASSEMBLY (BNA)
GEARBOX HOUSING
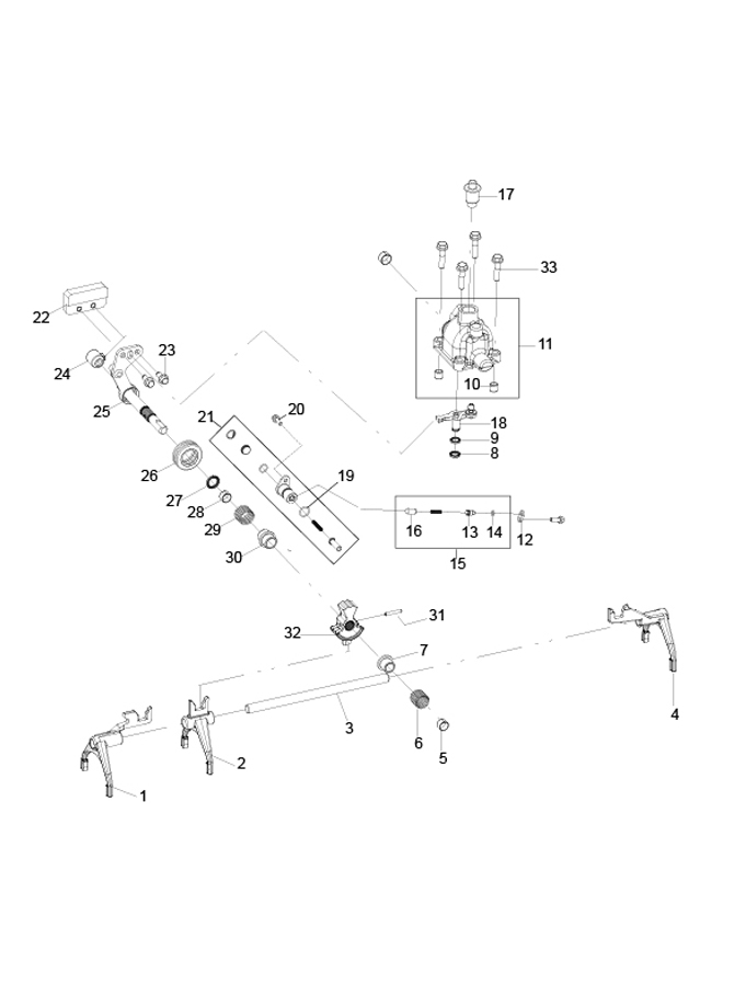
PRIMARY & SECONDARY GEAR SHIFT
DIFFERENTIAL COVER ASSY
GEAR LEVER
CLUTCH LEVER
AIR INTAKE SYSTEM
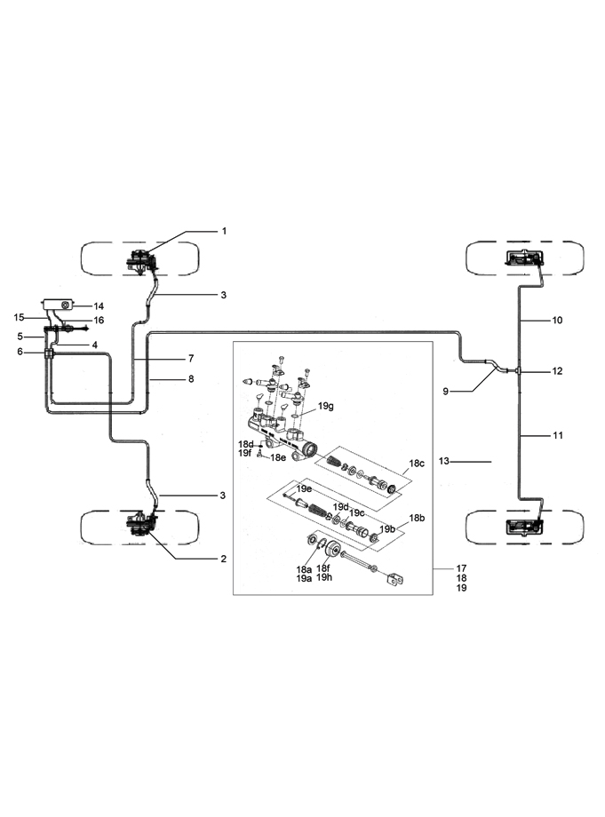
BRAKE PIPES
BRAKE SHOES & SERVICE KIT
DASHBOARD ASSEMBLY
VEHICLE INTERIOR- I
VEHICLE INTERIOR- II
DOOR & WINDOW GLASS
PEDAL GROUP, GEAR SHIFTER MECHANISM
FUEL TANK
FUEL PIPES
FRONT SUSPENSION - I
FRONT SUSPENSION - II
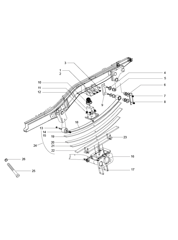
REAR SUSPENSION
REAR SUSPENSION - AXLE
STEERING SYSTEM
REAR PLATFORM BODY & SPARE WHEEL
FRONT BUMPER & HEAD LAMP
REAR BUMPER & TAIL LAMP
CONTROL CABLES & WIRING HARNESS
ELECTRICAL COMPONENTS
We will send you a recovery mail. Please enter your email ID
REGISTER AS A BUSINESS TO GET MORE BENIFITS
- or -
brand
model
variant
Category
Parts